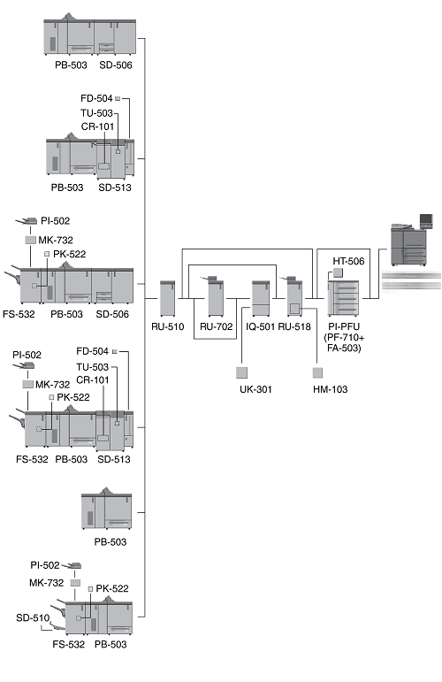
When three units of Paper Feed Unit PF-710 are mounted, Large Capacity Post Inserter PI-PFU cannot be mounted on the machine.
When using Integrated Color Care Unit IQ-501, always mount Video Interface Kit VI-512 in the main body.
When using the Relay Unit RU-702, always install the Auto Inspection Unit UK-301 in the Integrated Color Care Unit IQ-501.












